forked from HEL/circuiteria
		
	
			
				
					
						
					
					9966656e8bb8415e518a38b11735866e5440518f
				
			
			
		
	circuiteria
Circuiteria is a Typst package for drawing block circuit diagrams using the CeTZ package.
Examples
|   | |
| A bit of eveything | |
|   | |
| Wires everywhere | |
|   |   | 
| Groups | Rotated | 
Note
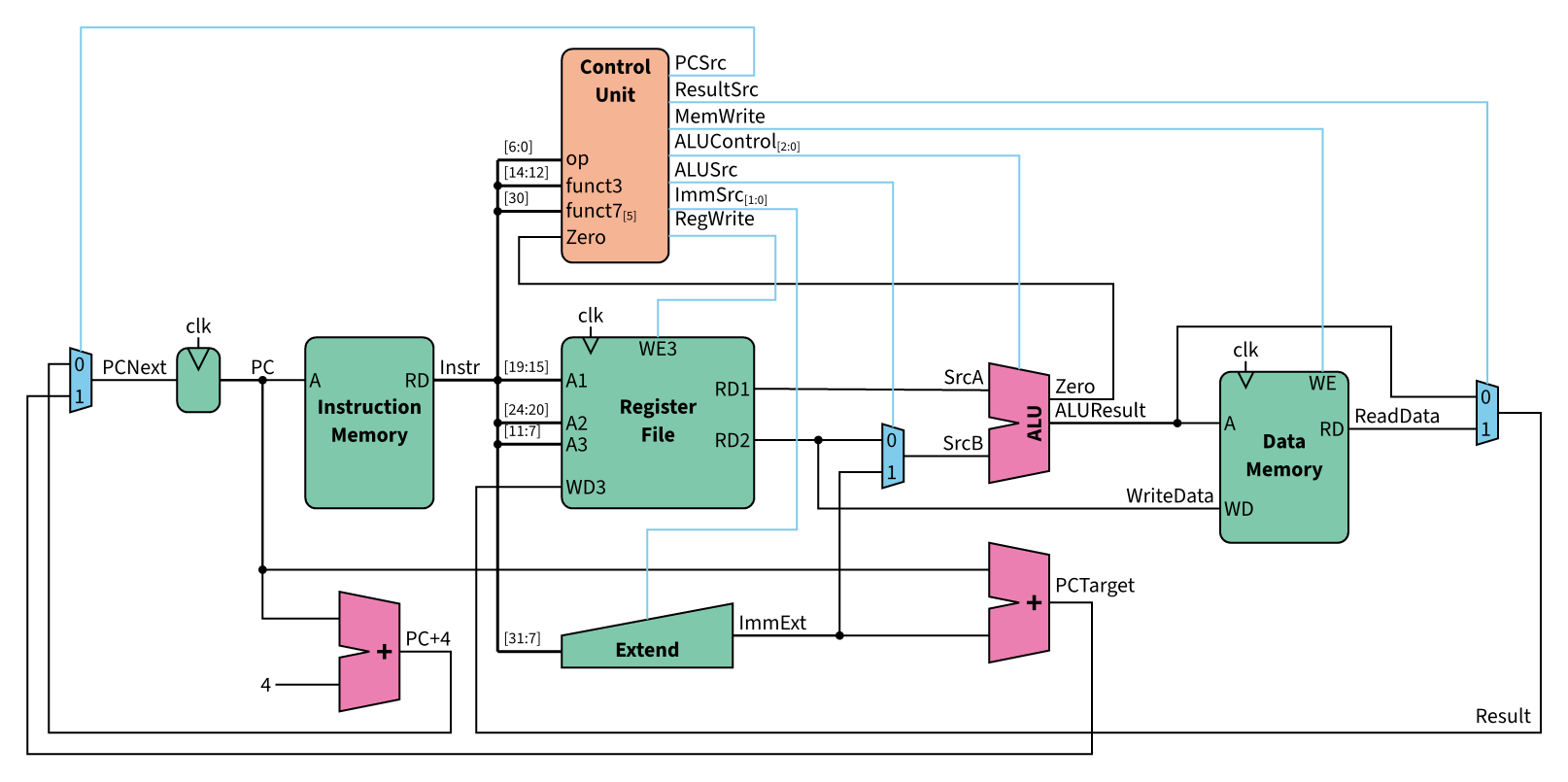
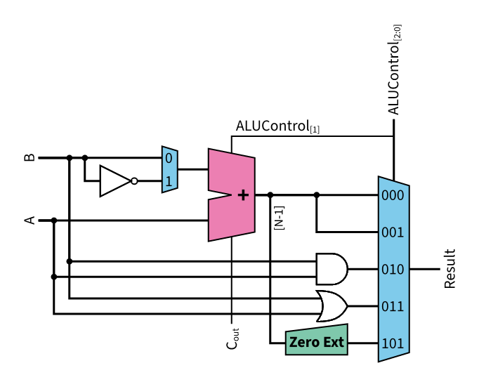
These circuit layouts were copied from a digital design course given by prof. S. Zahno and recreated using this package
Click on the example image to jump to the code.
Usage
For more information, see the manual
To use this package, simply import circuiteria and call the circuit function:
#import "@preview/circuiteria:0.2.0"
#circuiteria.circuit({
  import circuiteria: *
  ...
})
Description
				
					Languages
				
				
								
								
									Typst
								
								99.3%
							
						
							
								
								
									Shell
								
								0.7%
							
						
					