forked from HEL/circuiteria
3ccb79c6c2620272e7c7671f0a66fd3708909f22
circuiteria
Circuiteria is a Typst package for drawing block circuit diagrams using the CeTZ package.
Examples
|
|
| A bit of eveything | |
|
|
| Wires everywhere | |
|
|
| Groups | Rotated |
Note
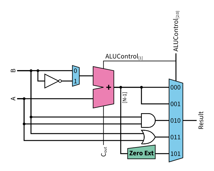
These circuit layouts were copied from a digital design course given by prof. S. Zahno and recreated using this package
Click on the example image to jump to the code.
Usage
For more information, see the manual
To use this package, simply import circuiteria and call the circuit function:
#import "@preview/circuiteria:0.2.0"
#circuiteria.circuit({
import circuiteria: *
...
})
Description
Languages
Typst
99.7%
Just
0.3%
