circuiteria

Circuiteria is a Typst package for drawing block circuit diagrams using the CeTZ package.

Perry the platypus

Examples

A bit of eveything
Wires everywhere
Groups Rotated

Note


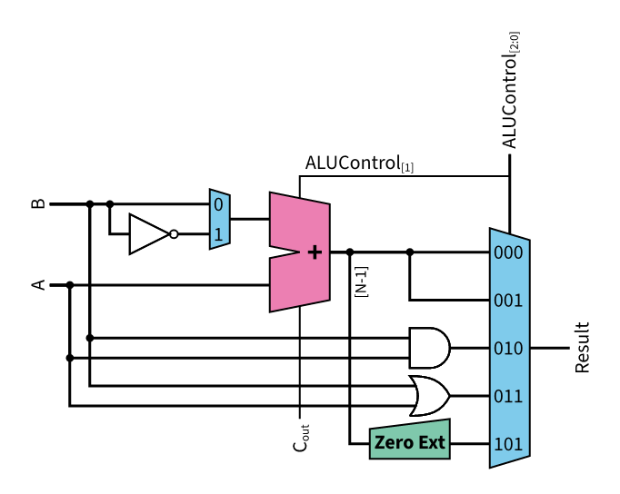
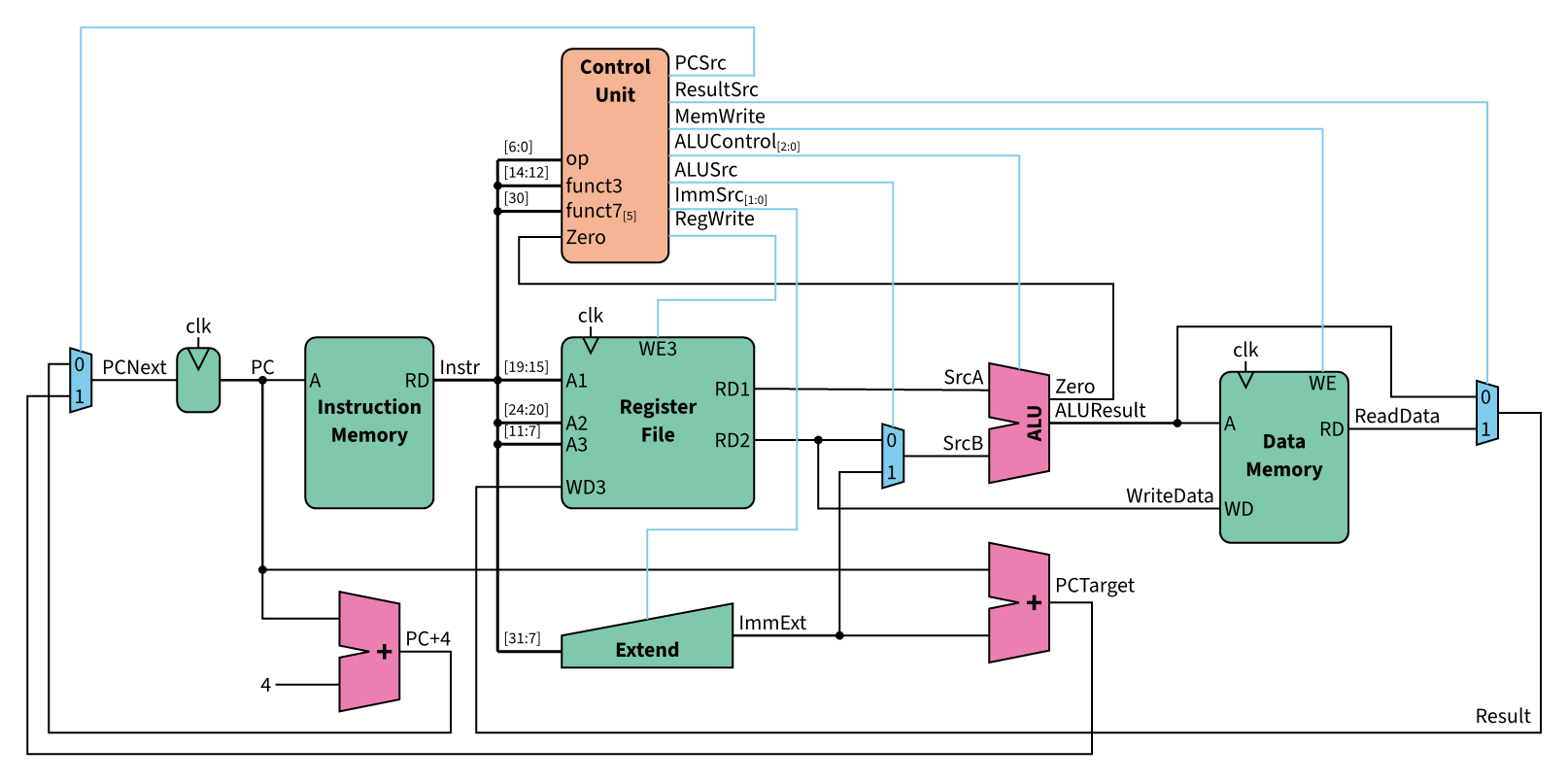
These circuit layouts were copied from a digital design course given by prof. S. Zahno and recreated using this package

Click on the example image to jump to the code.

Usage

For more information, see the manual

To use this package, simply import circuiteria and call the circuit function:

#import "@preview/circuiteria:0.2.0"
#circuiteria.circuit({
  import circuiteria: *
  ...
})
Description
Drawing block circuits with Typst made easy, using CeTZ
Readme Apache-2.0 2.8 MiB
Languages
Typst 99.7%
Just 0.3%