d8094384ad167f1927b80c113e2afcc37e93ed36
circuiteria
Circuiteria is a Typst package for drawing block circuit diagrams using the CeTZ package.
Examples
|
|
| A bit of eveything | |
|
|
| Wires everywhere | |
|
|
| Groups | Rotated |
Note
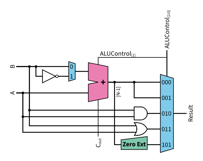
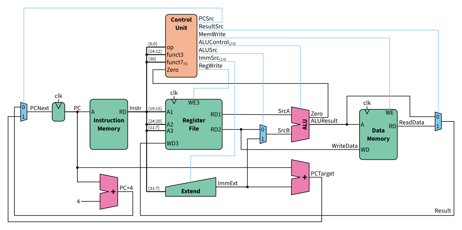
These circuit layouts were copied from a digital design course given by prof. S. Zahno and recreated using this package
Click on the example image to jump to the code.
Usage
For information, see the manual
To use this package, simply import src/lib.typ and call the circuit function:
#import "src/lib.typ"
#lib.circuit({
import lib: *
...
})
Installing
TODO
Description
Drawing block circuits with Typst made easy, using CeTZ
https://typst.app/universe/package/circuiteria
Readme
Apache-2.0
2.8 MiB
V0.2.0
Latest
Languages
Typst
99.7%
Just
0.3%
